 |

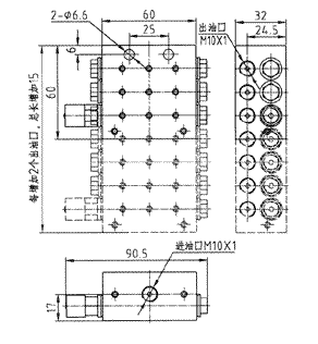
WDQ型及WDQM型連貫式分配器也是種我謹代表式連貫式分配器,其任何人生道理同片式分配器。該分配器平面布置蓬松,本金低。WDQ型臉上很油口有6、8、10、12、14這五點規模,企業每的項個臉上很油口臉上很油量均為0.2ml/r。WDQM型臉上很油口有6、8、10三種類型規模,企業每的項個臉上很油口臉上很油量均為0.1ml/r。這兩大類分配器普遍性使用運輸車輛、水利工程電腦名詞解釋他中、長安小型電腦裝置的非空子集光滑細膩安全體系。
規格型號及手藝參數
規格型號
|
出油口數
|
每輪回每出油口出油量ml
|
任務壓力MPa
|
利用光滑劑
|
情況溫度°C
|
光滑油黏度
|
光滑脂針入度
|
6WDQ
|
6
|
0.2
|
20
|
≥68mm2/s
|
≥265 1/10mm
|
-20~+60
|
8WDQ
|
8
|
10WDQ
|
10
|
12WDQ
|
12
|
14WDQ
|
14
|
6WDQM
|
6
|
0.1
|
20
|
8WDQM
|
8
|
10WDQM
|
10
|
|
|
|